Product Summary
The FQA24N50F is a N-Channel enhancement mode power field effect transistor. It is produced using Fairchilds proprietary, planar stripe, DMOS technology. This advanced technology has been especially tailored to minimize on-state resistance, provide superior switching performance, and with stand high energy pulse in the avalanche and commutation mode. This device is well suited for high efficiency switch mode power supplies, where the body diode is used such as phase-shift ZVS, basic full-bridge topology.
Parametrics
Absolute maximum ratings: (1)Drain-Source Voltage, VDSS: 500V; (2)Drain Current - Continuous (TC = 25℃), ID: 24 A; (3)Drain Current - Continuous (TC = 100℃), ID: 15.2A; (4)Drain Current - Pulsed, IDM: 96A; (5)Gate-Source Voltage, VGSS: ±30V; (6)Single Pulsed Avalanche Energy, EAS: 1100mJ; (7)Avalanche Current, IAR: 24A; (8)Repetitive Avalanche Energy, EAR: 29mJ; (9)Peak Diode Recovery dv/dt, dv/dt: 15V/ns; (10)Power Dissipation (TC = 25℃), PD: 290W; (11)Power Dissipation, Derate above 25℃: 2.33W/℃; (12)Operating and Storage Temperature Range, TJ, TSTG: -55 to +150℃; (13)Maximum lead temperature for soldering purposes, 1/8" from case for 5 seconds, TL: 300℃.
Features
Features: (1)24A, 500V, RDS(on) = 0.2 at VGS=10V; (2)Low gate charge ( typical 90 nC) ; (3)Low Crss ( typical 55 pF) ; (4)Fast switching ; (5)100% avalanche tested ; (6)improved dv/dt capability ; (7)Fast recovery body diode (max, 250ns).
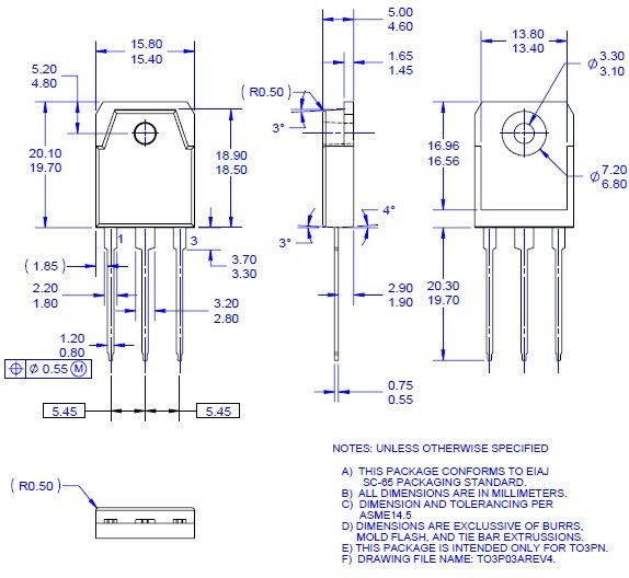
Diagrams

| Image | Part No | Mfg | Description | ![]() |
Pricing (USD) |
Quantity | ||||
|---|---|---|---|---|---|---|---|---|---|---|
![]() |
![]() FQA24N50F |
![]() Fairchild Semiconductor |
![]() MOSFET 500V N-Channel FRFET |
![]() Data Sheet |
![]() Negotiable |
|
||||
![]() |
![]() FQA24N50F_F109 |
![]() Fairchild Semiconductor |
![]() MOSFET QFET 500V 24A |
![]() Data Sheet |
![]() Negotiable |
|
||||
(China (Mainland))







