Product Summary
The MI-J62-MY-05 of miniaturized DC-DC converter which is designed for military applications utilizing distributed power architectures. Based on Vicors 1st Generation family of zero-current/zero-voltage switching, component-level, DC-DC converters, the MI-J62-MY-05 offers state-of-the-art performance in terms of power density, efficiency, noise, ease of use, and reliability. The MI-J62-MY-05 is designed to exceed all steady-state, transient and under/overvoltage requirements of MIL-STD-704D/E for both 28Vdc input (MI-J20) and 270Vdc input (MI-J60), and the worst case envelope of DOD-STD-1399A for 155Vdc input. The output voltage can be externally trimmed or programmed from 50% to 110% of nominal output. Current limiting, remote sense, and an inhibit pin all combine to offer a high degree of protection, versatility, and reliability for military power systems. All units are manufactured in ISO 9001-registered facilities. Full epoxy encapsulation in Vicors industry standard package enables the MI-J00 family units to meet MIL-STD-810 environmental testing requirements for humidity, fungus, salt fog, explosive atmosphere, acceleration, vibration, and shock.
Parametrics
Absolute maximum ratings: (1)No load power dissipation: 1.35 to 2.0Watts; (2)Set point accuracy: 0.5 to 1.0%Vnom; (3)Load/line regulation: 0.05 to 0.2%Vnom, LL to HL, 10% to FL; (4)Load/line regulation: 0.2 0.5 % Vnom, LL to HL, NL to 10%; (5)Output temperature drift: 0.01 to 0.02%/℃; (6)Output noise - pp: 1.0 to 1.5 %, Vnom Whichever is greater; (7)Output noise - pp: 100 to 150mV, 20MHz BW; (8)Output voltage trimming: 50 to 110% Vnom; (9)Remote sense compensation: 0.5Vdc; (10)Current limit: 105 to 125% Inom Auto restart; (11)Short circuit current: 105 to 130% Inom; (12)Gate-in high threshold: 6 Vdc; (13)Gate-in low threshold: 0.65 Vdc; (14)Gate-in low current: 6mA.
Features
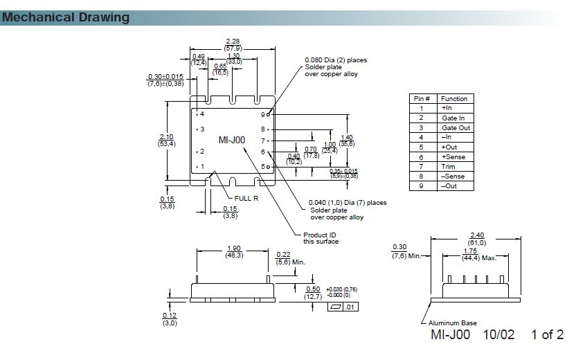
Features: (1)Inputs: 28Vdc per MIL-STD-704D/E, 155Vdc per MIL-STD-1399A, 270Vdc per MIL-STD-704D/E; (2)Single output: 2 – 48Vdc; (3)Up to 23W/in3; (4)MIL-STD-810 environments; (5)Up to 90% efficiency; (6)Remote sense; (7)Current limit; (8)ZVS/ZCS power architecture; (9)Low noise FM control; (10)Size: 2.28" x 2.4" x 0.5"(57,9 x 61,0 x 12,7mm).
Diagrams

![]() |
![]() MI-J00 |
![]() Other |
![]() |
![]() Data Sheet |
![]() Negotiable |
|
||||
(China (Mainland))






